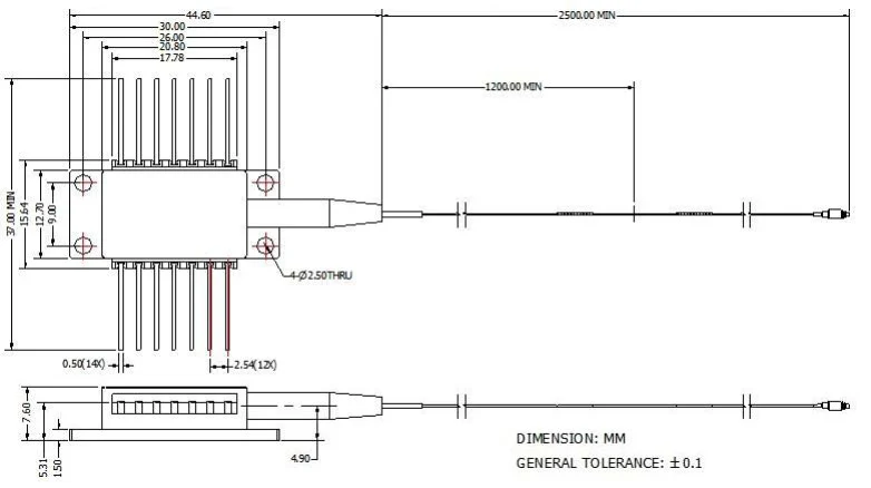
1653nm 40mW DFB laserová dioda pro metanový senzor Snímání CH4 využívá planární konstrukci s čipem na subnosné. Vysoce výkonný čip je hermeticky uzavřen v 14kolíkovém motýlkovém obalu bez epoxidu a tavidla a je vybaven termistorem, termoelektrickým chladičem a monitorovací diodou pro zajištění vysoce kvalitního výkonu laseru. Naše laserové produkty mají certifikaci Telcordia GR-468 a splňují směrnice RoHS.
1653nm 40mW DFB laserová dioda pro metanový senzor Snímání CH4 využívá planární konstrukci s čipem na subnosné. Vysoce výkonný čip je hermeticky uzavřen v 14kolíkovém motýlkovém obalu bez epoxidu a tavidla a je vybaven termistorem, termoelektrickým chladičem a monitorovací diodou pro zajištění vysoce kvalitního výkonu laseru. Naše laserové produkty mají certifikaci Telcordia GR-468 a splňují směrnice RoHS.
Standardní 14pinový motýlkový balíček;
Vestavěný TEC a optický izolátor;
Vysoce výkonný laser s distribuovanou zpětnou vazbou (DFB) s multiquantum well (MQW).
Testování výroby pasivních komponent pro detekci plynů;
Systém detekce plynů z vláken;
Laserové zdroje.
| Parametr | Symbol | Stav | Min. | Typ. | Max. | Jednotka |
| Středová vlnová délka | λc | TL=15~35℃ CW | 1652.7 | 1653.7 | 1654.7 | nm |
| Optický výstupní výkon | Po | CW | - | 40 | - | mW |
| LD Prahový proud | ITH | CW | - | 15 | 40 | mA |
| LD Dopředný proud | Li | Pf = jmenovitý výkon | - | 300 | 400 | mA |
| Optická izolace | - | -10 < TC < +70 °C | 30 | - | - | dB |
| Poměr potlačení bočního režimu | SMSR | CW | 35 | 40 | - | dB |
| Sledujte odezvu | Im /Pf | - | - | 1 | 20 | uA/mW |
| Sledujte stabilitu odezvy | - | - | - | - | 20 % | - |
| Sledujte temný proud | Id | VPD = 5V | - | - | 50 | nA |
| TEC proud | ITEC | Tcase = 75 ℃ | - | - | 2 | A |
| Napětí TEC | VTEC | Tcase = 75 ℃ | - | - | 3.5 | V |
| TEC spotřeba energie | P | Tstg = 25 ℃ | - | - | 5 | W |
| Odpor termistoru | Rth | Tcase = 75 ℃ | 9.5 | 10 | 10.5 | Kohm |
| Konstanta termistoru B | Bth | Tstg = 25 ℃ | - | 3900 | - | K |
| Posun vlnové délky (EOL) | △λ | Testováno po dobu 25 let životnosti | - | - | ±0,1 | nm |
| Vlna. Teplotní koeficient | Δλ/ΔT | Teplota TEC při 15℃ až 35℃ | - | 0.09 | - | nm/℃ |
| Vlnová délka Součinitel proudu | Δλ/ΔΙ | - | - | 0.01 | - | nm/mA |

Všechny produkty byly před odesláním testovány;
Všechny produkty mají záruku 1-3 roky. (Po uplynutí záruční doby za kvalitu se začal účtovat příslušný servisní poplatek.)
Vážíme si vašeho podnikání a nabízíme možnost okamžitého vrácení zboží do 7 dnů. (7 dní po obdržení položek);
Pokud položky, které zakoupíte v našem obchodě, nemají dokonalou kvalitu, to znamená, že nefungují elektronicky podle specifikací výrobce, jednoduše nám je vraťte k výměně nebo vrácení peněz;
Pokud jsou položky vadné, informujte nás prosím do 3 dnů od doručení;
Jakékoli položky musí být vráceny v původním stavu, aby měly nárok na vrácení peněz nebo výměnu;
Kupující je odpovědný za veškeré vzniklé přepravní náklady.
Otázka: Jaká je přesnost vlnové délky?
A: +/-0,5 nm.
Q: Máte jiné verze výstupního výkonu?
A: 10 mW, 15 mW, 50 mW.
1512nm 10mW DFB 14pinový motýlkový laser pro snímání NH3
1392nm DFB Butterfly laserová dioda pro snímání vlhkosti H2O
1653nm DFB Butterfly laserová dioda pro detekci CH4
1567nm DFB Butterfly laserová dioda pro detekci CO
1578nm 10mW DFB laserová dioda pro detekci sirovodíku
1580nm DFB Butterfly laserová dioda pro detekci CO2Copyright @ 2020 Shenzhen Box Optronics Technology Co., Ltd. - Čína moduly optických vláken, výrobci laserů s vlákny, dodavatelé laserových komponent Všechna práva vyhrazena.