Vysoce výkonný 1653,7nm laserový modul využívá planární konstrukci s čipem na subnosné. Vysoká napájecí čip je hermeticky uzavřen v 14pinovém motýlkovém obalu bez epoxidu a tavidla a opatřen termistor, termoelektrický chladič a monitorovací dioda pro zajištění vysoce kvalitního výkonu laseru. 1653nm 40mW laserová dioda BTF pro detekci metanových plynů má certifikaci Telcordia GR-468 a je v souladu se směrnicemi RoHS.
Vysoce výkonný 1653,7nm laserový modul využívá planární konstrukci s čipem na subnosné. Vysoce výkonný čip je hermeticky uzavřen v 14kolíkovém motýlkovém obalu bez epoxidu a tavidla a je vybaven termistorem, termoelektrickým chladičem a monitorovací diodou pro zajištění vysoce kvalitního výkonu laseru. Naše laserové produkty mají certifikaci Telcordia GR-468 a splňují směrnice RoHS.
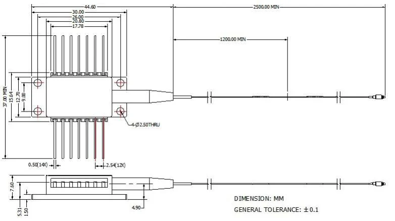
● Standardní 14pinový motýlkový balíček;
● Vestavěný TEC a optický izolátor;
● Vysoce výkonný, multiquantum well (MQW) laser s distribuovanou zpětnou vazbou (DFB).
● Výrobní testování pasivních komponent pro detekci plynů;
● Systém detekce plynů z vláken;
● Laserové zdroje.
| Parametr | Symbol | Stav | Min. | Typ. | Max. | Jednotka |
| Středová vlnová délka | lc | Tl = 15 ~ 35 ℃ qu | 1652.7 | 1653.7 | 1654.7 | nm |
| Optický výstupní výkon | Po | CW | - | 40 | - | mW |
| LD Prahový proud | ITH | CW | - | 15 | 40 | mA |
| LD Dopředný proud | Li | Pf = jmenovitý výkon | - | 300 | 400 | mA |
| Optická izolace | - | -10 < TC < +70 °C | 30 | - | - | dB |
| Poměr potlačení bočního režimu | SMSR | CW | 35 | 40 | - | dB |
| Sledujte odezvu | Očkování | - | - | 1 | 20 | byl / mw |
| Sledujte stabilitu odezvy | - | - | - | - | 20 % | - |
| Sledujte temný proud | Id | VPD = 5V | - | - | 50 | nA |
| TEC proud | ITEC | Tcase = 75 ℃ | - | - | 2 | A |
| Napětí TEC | VTEC | Tcase = 75 ℃ | - | - | 3.5 | V |
| TEC spotřeba energie | P | Tstg = 25 ℃ | - | - | 5 | W |
| Odpor termistoru | Rth | Tcase = 75 ℃ | 9.5 | 10 | 10.5 | Kohm |
| Konstanta termistoru B | Bth | Tstg = 25 ℃ | - | 3900 | - | K |
| Posun vlnové délky (EOL) | △λ | Testováno po dobu 25 let životnosti | - | - | ±0,1 | nm |
| Vlna. Teplotní koeficient | Dl/Dt | Teplota TEC při 15℃ až 35℃ | - | 0.09 | - | nm/℃ |
| Vlnová délka Součinitel proudu | Dl/DI | - | - | 0.01 | - | NM / in |

Všechny produkty byly před odesláním testovány;
Všechny produkty mají 1letou záruku. (Po uplynutí doby záruky kvality začal být účtován příslušný servisní poplatek.)
Vážíme si vašeho podnikání a nabízíme možnost okamžitého vrácení zboží do 7 dnů. (7 dní po obdržení položek);
Pokud položky, které zakoupíte v našem obchodě, nemají dokonalou kvalitu, to znamená, že nefungují elektronicky podle specifikací výrobce, jednoduše nám je vraťte k výměně nebo vrácení peněz;
Pokud jsou položky vadné, informujte nás prosím do 3 dnů od doručení;
Jakékoli položky musí být vráceny v původním stavu, aby měly nárok na vrácení peněz nebo výměnu;
Kupující je odpovědný za veškeré vzniklé přepravní náklady.
Otázka: Jaká je přesnost vlnové délky?
A: +/-0,5 nm.
Q: Máte jiné verze výstupního výkonu?
A: 10 mW, 15 mW, 50 mW.
C-pásmová integrovaná laditelná laserová sestava s úzkou šířkou čáry ITLA
1550nm 40mW 200kHz Narrow Linewidth DFB Butterfly Laser Diode
1550nm 40mW 600Khz DFB Butterfly Package Laserová dioda s úzkou šířkou čáry
1550nm 50mW 100kHz Narrow Linewidth DFB Butterfly Laser Diode
1550nm 2mW 5mW koaxiální laserová dioda s úzkou šířkou čáry
1550nm 100mw 100kHz úzká linka sWidth DFB Laser Diode BTF s vláknem SM/PMCopyright @ 2020 Shenzhen Box Optronics Technology Co., Ltd. - China Fiber Optic Modules, vláknité výrobci laserů, dodavatelé laserových komponentů všechna práva vyhrazena.